Scheduling for a Hybrid Platform Solution

Organization:

Arm Limited

Contact:

tf-m@lists.trustedfirmware.org

Warning

This feature is completed but documentation, support and testing are limited.

Please provide any feedback or comments via the TF-M mailing list or submit a patch in review.trustedfirmware.org.

Introduction

The Hybrid Platform solution refers to the more generic support for platforms with one local NSPE client and one or more NSPE remote client. The local client resides in the same cpu as the SPE, while the remote clients reside on separate CPUs.

A Hybrid Platform solution requires applications to run from both local and remote clients. This inevitably brings some scheduling trade-offs and limitations on the table.

The implementation provided and explained in this section aims to give a reference implementation for some use-cases where different systems need to satisfy various scheduling preferences.

Those are broadly:

  • SPE is in charge of scheduling

  • NSPE is in charge of scheduling

  • a BALANCED combination of the above

and are explained below.

System Architecture

A Hybrid Platform is a system topology where there is an instance of SPE and one or multiple instances of NSPE running at the same time.

A common layout is:

    ┌──────────────────┐cpuN    ┌──────────────────┐cpu0
  ┌──────────────────┐cpu2      │┌────────────────┐│
┌──────────────────┐cpu1        ││                ││
│                  │ │ │        ││                ││
│                  │ │ │        ││      TF-M      ││
│                  │ │ │        ││      (SPE)     ││
│                  │ │ │        ││                ││
│                  │ │ │        │└────────────────┘│
│                  │ │ │        │                  │
│                  │ │ │ >MBOX< │ --TZ boundary--- │
│                  │ │ │        │                  │
│                  │ │ │        │┌────────────────┐│
│                  │ │ │        ││                ││
│  remote client   │ │ │        ││  local client  ││
│                  │ │ │        ││     (NSPE)     ││
│                  │ │ │        │└────────────────┘│
│                  │ │─┘        └──────────────────┘
│                  │─┘
└──────────────────┘

where local client refers to the NSPE running on the same core of SPE, while remote client refers to the other instance(s) of NSPE running on other separate cores (irrespective of whether, or not, the same type of core).

Typically, a Hybrid Platform would fall into two categories:

Topology

Description

Heterogeneous topology

M-Class processor running TF-M and secure services.

Non-secure applications running in both the Normal World of the M-Class and in one or more other (non M-class) different cores.

Homogeneous topology

M-Class processor running TF-M and secure services.

Non-secure applications running in both the Normal World of the M-Class and in one or more other identical M-Class cores.

Remark: When the M-Class core hosting the Secure World does NOT have a Normal World, then the solution is known as “Dual-CPU” System.

Scheduling Scenarios

There are commonly two classes of scheduling use-cases depending on how the workload importance is distributed:

  • Local NSPE can be interrupted anytime when a secure service is requested by the remote clients.

  • Local NSPE can NOT be interrupted when a secure service is requested by the remote clients.

Usually, it is known at design stage which types of workloads and applications will run in both local and remote clients, thus it can be decided in advance which class of clients require to be serviced immediately and/or can be preempted. Such knowledge is then used to decide which scheduling option is best for the whole system.

Those options are generalized and provided with three build choices assigned to the build config CONFIG_TFM_HYBRID_PLAT_SCHED_TYPE.

CONFIG_TFM_HYBRID_PLAT_SCHED_TYPE

Description

TFM_HYBRID_PLAT_SCHED_OFF (Default)

No support for Hybrid Platform is provided.

TFM_HYBRID_PLAT_SCHED_SPE

NSPE has no control over when the request is processed.

SPE preempts NSPE (is scheduled to run) and runs the requested secure service (by the remote client). Once completed, execution then resumes to NSPE.

TFM_HYBRID_PLAT_SCHED_NSPE

NSPE is in full control over the incoming requests from the remote clients.

The incoming requests may be queued but execution does not switch to SPE. The local NSPE makes its own decisions on when it is an appropriate point to yield execution to execute the mailbox requests.

To do so, NSPE performs a psa_call to a stateless service in the mailbox partition and let the execution to proceed in SPE. Note that the local NSPE does not have knowledge of any pending messages in the mailbox awaiting processing. It can only attempt to start their processing.

TFM_HYBRID_PLAT_SCHED_BALANCED

When multiple mailbox channels, and their respective interrupts, are available on a platform, then it is possible to schedule independently the different sources. That is, some messages can be configured to be scheduled according to the SCHED_SPE mechanism, while others can be configured to be scheduled according to the SCHED_NSPE (deferred to local NSPE) mechanism.

This can be achieved via a special attribute in the manifest: mbox_flags.

The definitions for the options above are available in secure_fw/spm/include/tfm_hybrid_platform.h.

Integration examples

Hybrid Platform with SPE scheduling

In the platform configuration settings file config_tfm_target.h choose

#define CONFIG_TFM_HYBRID_PLAT_SCHED_TYPE   TFM_HYBRID_PLAT_SCHED_SPE

Hybrid Platform with NSPE scheduling

If your platform implements a custom set of RPC operations, then add the process_new_msg handler:

static int32_t platform_process_new_msg(uint32_t *nr_msg)
{
    /* some optional platform tasks */

    /*
     * Note that it's the platform's choice on whether or not to return the
     * number of mailbox messages processed.
     */
    return platform_handle_req();
}

static struct tfm_rpc_ops_t rpc_ops = {
    .handle_req = platform_handle_req,
    .reply = platform_mailbox_reply,
    .handle_req_irq_src = platform_handle_req_irq_src,
    .process_new_msg = platform_process_new_msg,
};

The platform interrupt handler is already expected to call spm_handle_interrupt(), so to correctly handle the set/clear of IRQs, the platform shall also call tfm_multi_core_set_mbox_irq() right after it as shown below.

void mailbox_IRQHandler(void)
{
    /* some optional platform tasks */

    spm_handle_interrupt(p_pt, p_ildi);

#if (CONFIG_TFM_HYBRID_PLAT_SCHED_TYPE == TFM_HYBRID_PLAT_SCHED_NSPE)
    tfm_multi_core_set_mbox_irq(p_ildi);
#endif
}

The counterpart tfm_multi_core_clear_mbox_irq() is called instead by the mailbox partition.

In the platform configuration settings file config_tfm_target.h choose

#define CONFIG_TFM_HYBRID_PLAT_SCHED_TYPE   TFM_HYBRID_PLAT_SCHED_NSPE

Then, in the local client NSPE, where the scheduling decisions are made, simply call the auxiliary mailbox service to process any pending mailbox messages:

psa_status_t status;
uint32_t num_msg;

psa_outvec out_vec[] = {
    {
        .base = &num_msg,
        .len = sizeof(num_msg),
    },
};

status = psa_call(
    NS_AGENT_MBOX_PROCESS_NEW_MSG_HANDLE,
    PSA_IPC_CALL,
    NULL, 0,
    out_vec, IOVEC_LEN(out_vec));
if (status < 0) {
  /* process the error */
} else {
  /* num_msg contains the number of mailbox slots/messages processed */
}

Hybrid Platform with BALANCED scheduling

All the above for TFM_HYBRID_PLAT_SCHED_NSPE plus the following changes, where required, for the mailbox manifest.

"services": [
  {
    "<attribute>" : "<value>"
    ...
  },
],
"irqs": [
  {
    "<attribute>" : "<value>"
    ...
    "mbox_flags": MBOX_IRQ_FLAGS_<DEFAULT|DEFER>_SCHEDULE,
  },
  ...
],

Currently, the mailbox flags mbox_flags supported are:

  • MBOX_IRQ_FLAGS_DEFAULT_SCHEDULE: the requests via mailbox transport are managed accordingly to the default hybrid platform scheduling options (this is always the default option)

  • MBOX_IRQ_FLAGS_DEFER_SCHEDULE: the requests via mailbox transport are deferred until the local NSPE calls the mailbox partition auxiliary service NS_AGENT_MBOX_PROCESS_NEW_MSG

The mbox_flags is optional, it can be omitted when this feature is not required.

In the platform configuration settings file config_tfm_target.h choose

#define CONFIG_TFM_HYBRID_PLAT_SCHED_TYPE   TFM_HYBRID_PLAT_SCHED_BALANCED

Hybrid Platform and common binary image

For homogeneous hybrid platform topology, the same binary image is likely to be deployed across cores. In that case, both mailbox and TrustZone agents will be in use. Therefore, the API for PSA calls would be, from each client’s perspective, virtually the same. In that event, the APIs provided by both agents need to be available simultaneously, and thus, a component that coordinates the redirection is required.

To achieve this, a TFM_HYBRID_PLATFORM_API_BROKER is supplied. This component simply redirects the standard PSA calls from the client to the correct interface. The redirection choice is made at initialization time, where the local or remote NSPE sets the respective interface API.

For such hybrid platforms, the common build flags configuration would be as follows:

Config Option

Set to

CONFIG_TFM_USE_TRUSTZONE

ON

TFM_HYBRID_PLATFORM_API_BROKER

ON

TFM_MULTI_CORE_TOPOLOGY

ON

TFM_MULTI_CORE_NS_OS

user’s requirements

TFM_MULTI_CORE_NS_OS_MAILBOX_THREAD

user’s requirements

TFM_MULTI_CORE_TEST

user’s requirements

The NSPE is expected to have a mechanism to detect its execution target, that is being remote or local. This is IMPLEMENTATION DEFINED.

This mechanism should drive the main application to initialize the appropriate interface, where the API broker is configured for the correct execution environment.

See an example below.

#define EXEC_TARGET_LOCAL  true
#define EXEC_TARGET_REMOTE false
bool plat_is_this_client_local(void)
{
    /*
     * An implementation-defined mechanism to detect the execution target.
     * For example, a RO memory location could hold such information.
     */

    return <EXEC_TARGET_LOCAL | EXEC_TARGET_REMOTE>;
}

Then, the main implementation simply calls the mechanism logic function and calls either the interface for TrustZone or Mailbox. Subsequently, the interface sets the execution environment within the API broker.

/*
 * The corresponding init function sets the execution environment via the API
 * broker.
 */
if (plat_is_this_client_remote()) {
    tfm_ns_multi_core_boot();
} else {
    tfm_ns_interface_init();
}

Hybrid Platform and NSPE reentrancy

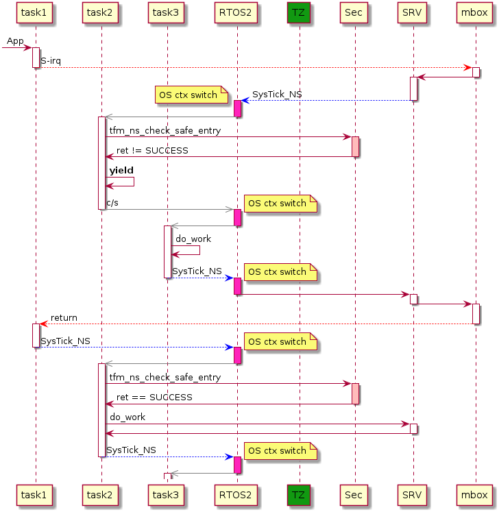
With scheduling set to TFM_HYBRID_PLAT_SCHED_SPE, the non-secure state can be interrupted, allowing execution to switch to the secure side until it completes. In systems where NSPE has no knowledge on when - or even if - there is a secure service in action, a non-secure application can interrupt and take over execution. This is the case, for example, when a standard RTOS runs its scheduler (by pre-empting the secure side) and later a new task runs. That task can attempt to request services from the secure state, which could lead to an intentional system panic. To safely deal with such scenario, NSPE has a way to detect if reentrancy is allowed. To do so, enable TFM_TZ_REENTRANCY_CHECK in the build and include a validation check at run-time. The following diagram illustrates an example for a NSPE with an RTOS and a possible scenario of a secure service pre-empted by a new task.

@startuml
skinparam ParticipantPadding 15

participant task1
participant task2
participant task3
participant RTOS2
participant TZ #119911
participant Sec

[-> task1 : App
activate task1

participant SRV
participant mbox

task1 --[#red]> mbox : S-irq
deactivate task1
activate mbox

mbox -> SRV
deactivate mbox
activate SRV

SRV --[#blue]> RTOS2 : SysTick_NS
deactivate SRV
activate RTOS2 #FF22BB
||5||
note left: OS ctx switch

RTOS2 -[#grey]>> task2
deactivate RTOS2

activate task2

task2 -> Sec: tfm_ns_check_safe_entry
activate Sec #FFBBBB
Sec -> task2: ret != SUCCESS
deactivate Sec
task2 -> task2: **yield**
task2 -[#grey]>> RTOS2: c/s

deactivate task2

activate RTOS2 #FF22BB
||5||
note right: OS ctx switch

RTOS2 -[#grey]>> task3
deactivate RTOS2
activate task3
task3 -> task3 : do_work
task3 --[#blue]> RTOS2 : SysTick_NS
deactivate task3
activate RTOS2 #FF22BB
||5||
note right: OS ctx switch

RTOS2 -> SRV
deactivate RTOS2
activate SRV

SRV -> mbox
deactivate SRV
activate mbox

mbox --[#red]> task1 : return
deactivate mbox

activate task1

task1 --[#blue]> RTOS2 : SysTick_NS
deactivate task1
activate RTOS2 #FF22BB
||5||
note right: OS ctx switch
RTOS2 -[#grey]>> task2
deactivate RTOS2
activate task2

task2 -> Sec: tfm_ns_check_safe_entry
activate Sec #FFBBBB
Sec -> task2: ret == SUCCESS
deactivate Sec
task2 -> SRV: do_work
activate SRV
SRV -> task2
deactivate SRV
task2 --[#blue]> RTOS2 : SysTick_NS
deactivate task2

activate RTOS2 #FF22BB
||5||
note right: OS ctx switch
RTOS2 -[#grey]>> task3
deactivate RTOS2
activate task3

@enduml

Note

The sequence diagram above demonstrates the denial of re-entry until the secure service completes; non-secure applications must check tfm_ns_check_safe_entry() and yield otherwise.

For the task in the non-secure side that makes a request to a secure service (attempting to reenter), below is a possible use case of the reentrancy check:

psa_status_t ns_status = PSA_ERROR_CONNECTION_REFUSED;
enum tfm_reenter_check_err_t reenter_status;
os_status_t os_status;

reenter_status = tfm_ns_check_safe_entry();
if (reenter_status == TFM_REENTRANCY_CHECK_SUCCESS) {
    ns_status = psa_call(
        SERVICE_HANDLE,
        SERVICE_ID,
        in_vec, IOVEC_LEN(in_vec),
        out_vec, IOVEC_LEN(in_vec));
    if (ns_status != PSA_SUCCESS) {
        /* handle error */
    }

    /*
     * Release re-entry guard.
     * Must be called on the same call path after a successful secure entry.
     */
    tfm_ns_check_exit();
} else {
    os_status = osThreadYield(); /* also possible osDelay(delayTime); */
    if (os_status != osOK) {
        /* handle error */
    }
}

The RTOS yielding mechanism directly influences task scheduling and the continuation of preempted secure services. There may be better functions than the one shown above that allow to achieve the sought scheduling sequence.

Limitations

Currently Hybrid Platform is supported only for the IPC model. Testing is limited.


SPDX-License-Identifier: BSD-3-Clause

SPDX-FileCopyrightText: Copyright The TrustedFirmware-M Contributors